采用電接點壓力表和變頻器控制采曖鍋爐補水泵的方法
針對目前熱水采暖鍋爐補水泵變頻調速控制時普遍采用的PID閉環控制方法,提出了采用電接 點壓力表進行測量和控制的方法,給出了電路原理圖和變頻器的參數設置以及補水壓力設定 方法。實際運行表明,設備運行穩定可靠,效果理想,可推廣應用。
引言
任何一種設備,它的高質量、高可靠性、高 穩定性、低價格、低故障率、低維護成本最受用 戶歡迎。實現同樣的功能,越簡單越好。對于用 戶而言,簡單可靠低成本,便于維護,即使性能 稍差,也倍受青睞。上世紀九十年代,熱水采暖 鍋爐補水泵就已經開始采用變頻器驅動以控制鍋 爐補水壓力。文獻對補水泵采用變頻器驅動時 的控制方法進行了介紹,但不是很具體。文獻至對變頻調速控制原理及節能分析介紹較多, 僅給出了原理框圖,無具體電路。文獻盡管給 出了原理框圖和電氣控制簡圖,但較粗略,控制 電路采用模擬電路,比較落后。直到現在,補水 泵采用變頻器控制的方法沒有太大變化,多采用 電阻遠傳壓力表或壓力變送器進行測壓,壓力采 樣點在循環泵的入口處,且多采用PID調節功能進 行閉環控制。采用電接點壓力表進行測壓并控制 變頻器的輸出頻率,使鍋爐供暖系統壓力在要求 的范圍。
1.補水壓力控制點確定及控制原理
供熱采暖鍋爐補水泵應保證整個供熱系統充 滿水,管網內不進空氣,避免影響供暖質量。許 多文獻介紹的壓力采樣點在熱水循環泵的入口 處,其特點是當循環泵運行時,其入口壓降低, 需要的補水壓低,補水泵變頻器輸出頻率低,補 水泵轉速無需太高即可滿足所要求的壓力,其原 因是利用了循環泵的吸程。當循環泵停止運行 時,其入口壓升高,超過了所設定的壓力,補水 泵停止運行。一旦循環泵停止運行,其出口壓會 降低,極易造成建筑物最高處缺水而進氣,從而 影響用戶采暖。導致這一現象的原因是補水泵的 壓力控制點不夠合理,因而找到合適的壓力控制 點并對該點壓力進行控制成為解決問題的關鍵。 合理的壓力控制點應保證在循環泵停止運行后供 熱管網內不進氣,不管循環泵是否運行,管網內都 應充滿水,既不進氣,補水壓又不是太高,以保證 供熱管網和暖氣片的安全,避免供暖設施和管路滲 漏。圖1中箭頭方向表示循環水流動方向,閥門3處 為壓力采樣控制點。為了保證循環泵運行與停止時 壓力控制點的壓力相同,可以通過調節閥門1和閥 門2的開度來實現。具體操作時,應使壓力采樣點 的壓力在循環泵運行時比停止時略低, 這樣可以在 循環泵停止運行后補水泵也停止運行。

與補水壓控制點在循環泵入口處的方式相比 較,這種方式需要在循環泵的出口與入口之間增 加測壓管路及閥門,如圖1中的閥門1、閥門2及其 管路。閥門及管路采用4分閥及4分管即可,壓力 測量和控制采用電接點壓力表,控制原理如圖2所 示。壓力設定通過電接點壓力表的上下限指針完 成,二者的間隔不必太大,在0.02MPa即可,在無 二次加壓的情況下,壓力下限值應略高于建筑物高度。當管網壓力降為下限值或低于下限值時, 變頻器輸出頻率增大,水泵加速,補水量增加, 當管網壓力達到上限值時,變頻器輸出頻率下 降,水泵減速,補水量減少,當管網壓力介于上 下限之間時,變頻器輸出頻率保持不變,水泵恒 速運行,從而確保管網壓在設定的范圍之內。

2.補水泵電氣主電路
鍋爐補水泵多采用一用一備的兩臺泵工作方 式,也有采用多用一備的方式,本文以兩用一備 的三臺泵方式為例進行介紹。為了在變頻器故障 時補水泵仍能為鍋爐補水,所設計的電路應包括 變頻運行和工頻運行兩部分,通過轉換開關進行 切換。圖3給出了三臺泵的主電路圖。
圖3中,變頻器選用富士電機株式會社生產的 專門用于驅動風機水泵類負載的FRENIC5000P11S 系列產品。接觸器KM0為變頻器的進線接觸器, KM1、KM3和KM5是由變頻器驅動三臺電動機 的切換接觸器,三者不應同時吸合,同一時間只 能有一臺吸合,且控制電路中必須有互鎖功能, 以確保變頻器只驅動一臺電動機。KM2、KM4和 KM6是工頻運行接觸器,在水泵電機工頻運行時 吸合。FR1、FR2和FR3為三臺電動機工頻運行時 對其進行過載和缺相保護的熱繼電器。
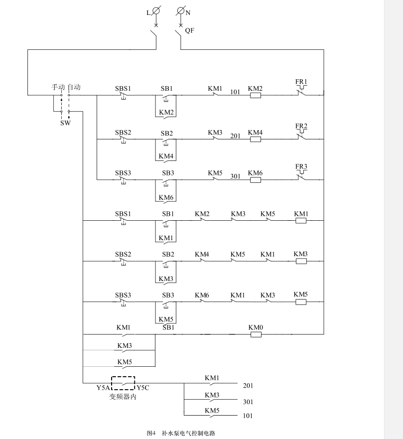
3.補水泵電氣控制電路
圖4即為與圖3主電路相對應的控制電路。圖 4中的QF為控制電路電源開關,SW為轉換開關, 用于選擇補水泵的手動工頻運行方式和自動變頻 運行方式,每臺補水泵通過相應的按鈕起動或停 止。工頻與變頻之間通過接觸器線圈回路里互串 對方的常閉觸點進行互鎖。用于3臺泵變頻運行 的接觸器KM1、KM3和KM5也設置了互鎖,以避 免變頻器同時驅動多臺電動機。30A與30C之間的 虛線框內的常開觸點為變頻其內部繼電器觸點, 用于自動運行時控制第二臺電機的起停。在自動 狀態時,當變頻器驅動一臺水泵補水時,若變頻 器輸出頻率已達到最大頻率(一般設為50Hz), 補水壓力仍不能滿足要求,該觸點閉合,自動工 頻起動第二臺水泵。當兩臺泵補水時壓力超出設 定壓力,且變頻器輸出頻率為最低時,該觸點斷 開,自動停止第二臺水泵。具體由哪兩臺水泵運 行,通過按鈕來控制。比如要讓1號泵和2號泵運 行,則按下SB1進行起動,1號泵變頻運行,補水 壓力不足時,自動起動2號泵,2號泵工頻運行, 當超壓時,自動停止2號泵。如果讓3號泵和1號泵 運行,則按下SB3按鈕,3號變頻運行,補水壓力 不足時,自動起動1號泵,1號泵工頻運行,當超 壓時,自動停止1號泵。
4.變頻器控制端接線及參數設置
圖5所示為變頻器控制端接線圖。圖中,數字 輸入端FWD的通斷決定變頻器的運行狀態,由變 頻器供電接觸器KM0的常開輔助觸點控制,一旦 接觸器KM0吸合,變頻器得電,輔助觸點接通, 變頻器就開始運行。當KM0斷開時,FWD端無輸入信號,變頻器停止運行。H和L為電接點壓力表 的上下限觸點,可以在表上進行調節。數字輸入 端X1和X2的通斷決定變頻器頻率的變化。當X1端 接通X2端斷開時變頻器頻率上升,而數字輸入端 X1端斷開X2端接通時變頻器頻率下降,二者同時 接通或同時斷開,變頻器頻率保持不變。
變頻器的參數設置如下:
F00: 1,不可改變數據;
F01 : 9,由端子UP和DOWN設定頻率的增
減;
F02: 1,由外部端子FWD輸入運行命令,接 通運行;
F03: 50Hz,變頻器的最高輸出頻率;
F04: 50Hz,變頻器的基本頻率;
F05: 380V,電動機的額定電壓;
F06: 380V,變頻器的最高輸出電壓;
F07:加速時間;
F08:減速時間;
F10: 1,電子熱繼電器動作;
F11:熱繼電器動作設定值;
F12:熱繼電器動作時間;
F14: 0,瞬時停電再起動不動作;
F15:頻率上限;
F16:頻率下限;
E01: 17,X1端子功能為增命令UP;
E02: 18,X2端子功能為減命令DOWN;
E24: 1,頻率到達時端子Y5A、Y5C接通; E30: 2,頻率動作回環,當頻率到達檢測值范圍內時,Y5接通;
E31: 49Hz,變頻器輸出頻率動作值;
E32: 2Hz,變頻器輸出頻率動作滯后值;
E33: 1,輸出電流超過設定電流和設定的動
作時間時進行過載預報;
E34:過載預報值;
E35:過載預報動作時間;
P01:電動機級數;
P02:電動機容量;
P03:電動機額定電流;
其他參數設置采用變頻器出廠默認值。
5.結論
經多年的運行證明,采用上述方法進行控制的熱水鍋爐補水泵補水效果很好,采暖系統不缺水、不進氣、滲漏少,壓力調節方便,故障率低,節電的同時,維護工作量少,深得用戶好評。
上一篇:壓力表的安全使用及計量要求的思考


